The RMKP-550 mud pump features a pleasing shape, advanced design, reasonable structure, and high efficiency. At power end, pinion shaft and bull gear are both hard teeth, wear-resistant, and transmission stable.
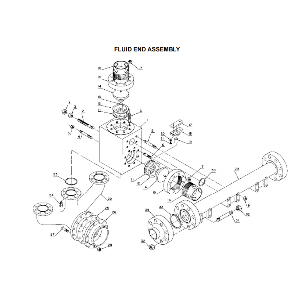
MUDKING PUMP-550 FLUID END ASSEMBLY
Description
The RMKP-550 mud pump features a pleasing shape, advanced design, reasonable structure, and high efficiency. At power end, pinion shaft and bull gear are both hard teeth, wear-resistant, and transmission stable.
All parts at power end except the lubrication oil pump and all parts of the fluid end are completely exchangeable with OEM pumps from the United States.

| No. | Description | Qty | Part No | No. | Description | Qty | Part No |
|---|---|---|---|---|---|---|---|
| FLUID END ASSEMBLY | RM-E75439 | 18 | GUIDE-VALVE.Suction | 3 | RM-2011700 | ||
| 1 | FLUID CYLINDER ASSEMBLY,Includes Reference Num | 3 | RM-205PZL029D | 19 | BUSHING,Suction Valve Guide | 3 | RM-2007674 |
| 2 | STUD(1-1/4),Cylinder to Frame &Liner Clamp | 24 | RM-79L188 | 20 | LOCKWASHER | 6 | RM-95W2 |
| 3 | NUT(1-1/4),Cylinder to Frame &Liner Stud | 48 | RM-50B36 | 21 | SCREW | 6 | RM-655EE06S |
| 4 | STUD (7/8),Cylinder to Frame | 12 | RM-79L73 | 22 | MANIFOLD-SUCTION | 1 | RM-200PZG069 |
| 5 | NUT (7/8),Cylinder to Frame Stud | 12 | RM-50AQ30 | 23 | GASKET,Suction Manifold to Cylinder | 3 | RM-25G41 |
| 6 | STUD,Valve Cover to Cylinder | 48 | RM-79AL6 | 24 | SCREW,Suction Manifold to Cylinder | 24 | RM-655EG08N |
| 7 | NUT,Valve Cover Ring to Cylinder Stud | 48 | RM-50B34 | 25 | GASKET,Suction Manifold Flange | 1 | RM·25C131N |
| 8 | STUD,Cylinder to Discharge Manifold | 12 | RM-202PZL110 | 26 | FLANGE.Suction | 1 | RM-64CU11 |
| 9 | NUT,Cylinder to Discharge Manifold Stud | 12 | RM-50B34 | 27 | SCREW,Suction Flange | 12 | RM-655EG130 |
| 11 | RING-RETAINING,Valve Cover Gasket | 6 | RM-2011861 | 28 | NUT | 12 | RM-50B8 |
| 12 | GASKET,Valve Cover | 6 | RM-2011862 | 29 | MANIFOLD-DISCHARGE | 1 | RM-200PZG071 |
| 13 | BUSHING,Suction &Discharge Valve Cover | 6 | RM-2007674 | 30 | GASKET,Discharge Manifold to Cylinder | 3 | RM- 25AL35 |
| 14 | COVER-VALVE | 6 | RM-2011860 | 31 | STUD,Discharge Manifold Flange | 16 | RM- 209PZL110 |
| 15 | RING-VALVE COVER | 6 | RM·2011699 | 32 | NUT,Discharge Manifold Flange Stud | 32 | RM-50AW11 |
| 16 | LOCK-COVER,Valve | 6 | RM-2011857 | 33 | GASKET,Discharge Manifold Flange | 2 | RM-25V24 |
| VALVE GUIDE ASSEMBLY,Includes Reference Number | 3 | RM-2011706 | 34 | FLANGE-DISCHARGE | 1 | RM-64EB15 | |
| 17 | PLATE-RETAINER | 3 | RM·2011701 | FLANGE-BLIND | 1 | RM-64EB240 |

Reviews
There are no reviews yet.