Description
Reset Relief Valve Type C Style with Flanges or Hammer Union Connections
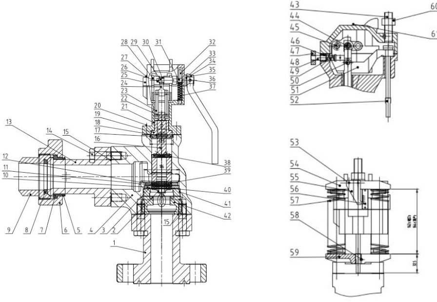
TYPE ‘C’ flanged RESET RELIEF VALVE utilizes the same mechanical principle as the Type B Reset Valve. The primary difference is the sub and flanged body. The valve is designed for Hydraulic or Gas use at the following pressure ratings: Hydraulic use: 1500-6200 PSI W.P.

Reset relief valve processing by advanced heat treatment is made from high-strength alloy steel and intensive stainless steel, which is against corrosion, impact, and abrasion.
It consists of a piston, crank, linkage, and loaded spring-balanced device. The piston is designed by an internal and external piston device and Oil pressure-balanced device. It realizes auto and hand pressure release.
It is very convenient and safe for us to maintain.





* Mainly used for drilling mud pumps to protect the mud pump bushings and other parts from damage.
* Corrosion resistance, impact resistance, wear resistance.
* Balancing device adopting piston, crank, connecting rod mechanism, and imported load spring.
* Automatic pressure relief and manual pressure relief, manual reset.
* Less maintenance, time-saving and labor-saving, convenient and fast, safe and reliable.
| No. | Model | Regulating range psi | Diameter | Connection method | Operating conditions | Weight kg |
| 1 | RRV-3x5000Y | 1500-5000 | 3″ | Union | Standard/H2S | 126 |
| 2 | RRV-3x5000F | 1500-5000 | 3″ | Flange | Standard/H2S | 136 |
| 3 | RRV-3x5000FY | 1500-5000 | 3″ | Flange+Union | Standard/H2S | 131 |
| 4 | RRV-3x7500Y | 2500-7500 | 3″ | Union | Standard/H2S | 126 |
| 5 | RRV-3x7500F | 2500-7500 | 3″ | Flange | Standard/H2S | 118 |
| 6 | RRV-3x7500FY | 2500-7500 | 3″ | Flange+Union | Standard/H2S | 123 |



Reviews
There are no reviews yet.